Product Description
Series: CLRG Series
Product Lines: High Tonnage Hydraulic Cylinders
- The integral stop ring provides piston blow-out protection
- Double-acting, for positive retraction
- The safety valve on retracting side of the cylinder helps to prevent damage in case of accidental over-pressurization
- Plunger wiper reduces contamination, extending cylinder life
- Baked enamel finish and plated pistons provide superior corrosion resistance
Think Safety
Manufacturer’s rating of load and stroke are maximum safe limits. Good practice encourages using only 80% of these ratings!
Product Picture
Series Specifications
| Capacity: | 50-1000 Ton |
| Stroke: | 50-300mm |
| Collapsed Height: | 162-814mm |
| Maximum Operating Pressure : | 70Mpa |
| Weight: | 17-1439Kg |
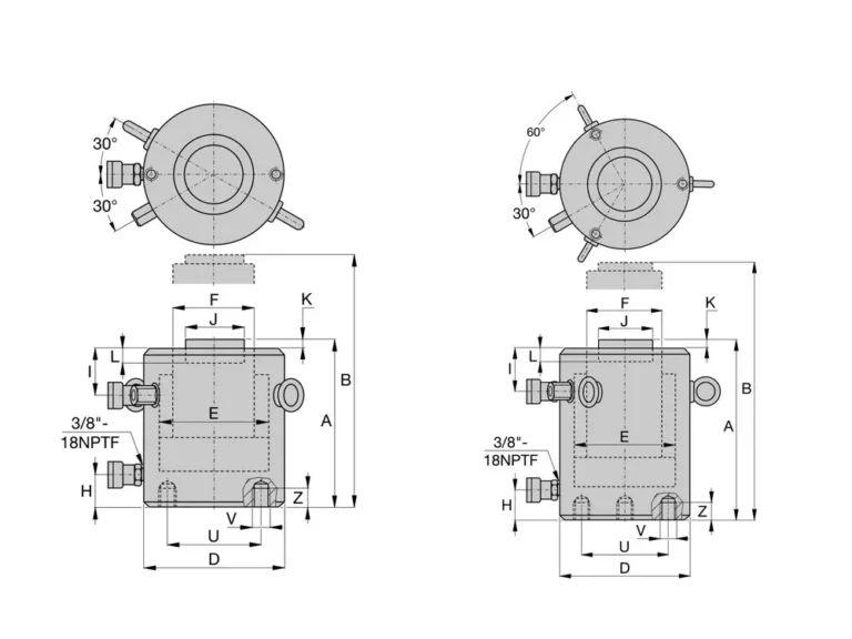
Dimension
Series Comparison
| Model Number | Capacity/Ton | Stroke/mm | Push Max Cylinder Capacity/KN | Pull Max Cylinder Capacity/KN | Push Cylinder Effective Area/cm2 | Pull Cylinder Effective Area/cm2 | Push Oil Capacity/cm3 | Pull Oil Capacity/cm3 | Collapsed Height/mm(A) | Extended Height/mm(B) | Outside Dia/mm(D) | Cylinder Bore Dia/mm(E) | Plunger Dia/mm(F) | Base To Advance Port/mm(H) | Top To Retract Port/mm(I) | Saddle Dia/mm(J) | Saddle Protri. From Page./mm(K) | Depth of Plunger Hole/mm(L) | Saddle Dia/mm(J1) | Saddle Height/mm(K1) | Saddle Model | Weight/Kg |
|---|---|---|---|---|---|---|---|---|---|---|---|---|---|---|---|---|---|---|---|---|---|---|
| CLRG-502 | 50 | 50 | 539 | 269 | 77 | 38.5 | 385 | 192 | 162 | 212 | 130 | 99 | 70 | 52 | 33 | 50 | 1 | 19 | 50 | 24 | CATG-50 | 17 |
| CLRG-504 | 50 | 100 | 539 | 269 | 77 | 38.5 | 770 | 385 | 212 | 312 | 130 | 99 | 70 | 52 | 33 | 50 | 1 | 19 | 50 | 24 | CATG-50 | 20 |
| CLRG-506 | 50 | 150 | 539 | 269 | 77 | 38.5 | 1155 | 577 | 262 | 412 | 130 | 99 | 70 | 52 | 33 | 50 | 1 | 19 | 50 | 24 | CATG-50 | 23 |
| CLRG-508 | 50 | 200 | 539 | 269 | 77 | 38.5 | 1540 | 770 | 312 | 512 | 130 | 99 | 70 | 52 | 33 | 50 | 1 | 19 | 50 | 24 | CATG-50 | 27 |
| CLRG-5010 | 50 | 250 | 539 | 269 | 77 | 38.5 | 1924 | 962 | 362 | 612 | 130 | 99 | 70 | 52 | 33 | 50 | 1 | 19 | 50 | 24 | CATG-50 | 31 |
| CLRG-5012 | 50 | 300 | 539 | 269 | 77 | 38.5 | 2309 | 1155 | 412 | 712 | 130 | 99 | 70 | 52 | 33 | 50 | 1 | 19 | 50 | 24 | CATG-50 | 34 |
| CLRG-1002 | 100 | 50 | 929 | 433 | 132.7 | 61.9 | 664 | 309 | 179 | 229 | 165 | 130 | 95 | 54 | 48 | 75 | 1 | 19 | 73 | 29 | CATG-100 | 29 |
| CLRG-1004 | 100 | 100 | 929 | 433 | 132.7 | 61.9 | 1327 | 619 | 229 | 329 | 165 | 130 | 95 | 54 | 48 | 75 | 1 | 19 | 73 | 29 | CATG-100 | 34 |
| CLRG-1006 | 100 | 150 | 929 | 433 | 132.7 | 61.9 | 1991 | 928 | 279 | 429 | 165 | 130 | 95 | 54 | 48 | 75 | 1 | 19 | 73 | 29 | CATG-100 | 40 |
| CLRG-1008 | 100 | 200 | 929 | 433 | 132.7 | 61.9 | 2655 | 1237 | 329 | 529 | 165 | 130 | 95 | 54 | 48 | 75 | 1 | 19 | 73 | 29 | CATG-100 | 46 |
| CLRG-10010 | 100 | 250 | 929 | 433 | 132.7 | 61.9 | 3318 | 1546 | 379 | 629 | 165 | 130 | 95 | 54 | 48 | 75 | 1 | 19 | 73 | 29 | CATG-100 | 52 |
| CLRG-10012 | 100 | 300 | 929 | 433 | 132.7 | 61.9 | 3982 | 1856 | 429 | 729 | 165 | 130 | 95 | 54 | 48 | 75 | 1 | 19 | 73 | 29 | CATG-100 | 58 |
| CLRG-1502 | 150 | 50 | 1390 | 675 | 198.6 | 96.5 | 993 | 482 | 196 | 246 | 205 | 159 | 114 | 61 | 56 | 94 | 1 | 19 | 91 | 31 | CATG-150 | 39 |
| CLRG-1504 | 150 | 100 | 1390 | 675 | 198.6 | 96.5 | 1986 | 965 | 246 | 346 | 205 | 159 | 114 | 61 | 56 | 94 | 1 | 19 | 91 | 31 | CATG-150 | 52 |
| CLRG-1506 | 150 | 150 | 1390 | 675 | 198.6 | 96.5 | 2978 | 1447 | 296 | 446 | 205 | 159 | 114 | 61 | 56 | 94 | 1 | 19 | 91 | 31 | CATG-150 | 65 |
| CLRG-1508 | 150 | 200 | 1390 | 675 | 198.6 | 96.5 | 3971 | 1930 | 346 | 546 | 205 | 159 | 114 | 61 | 56 | 94 | 1 | 19 | 91 | 31 | CATG-150 | 78 |
| CLRG-15010 | 150 | 250 | 1390 | 675 | 198.6 | 96.5 | 4964 | 2412 | 396 | 646 | 205 | 159 | 114 | 61 | 56 | 94 | 1 | 19 | 91 | 31 | CATG-150 | 92 |
| CLRG-15012 | 150 | 300 | 1390 | 675 | 198.6 | 96.5 | 5957 | 2895 | 446 | 746 | 205 | 159 | 114 | 61 | 56 | 94 | 1 | 19 | 91 | 31 | CATG-150 | 105 |
| CLRG-2002 | 200 | 50 | 1861 | 889 | 265.9 | 127 | 1330 | 635 | 212 | 262 | 235 | 184 | 133 | 67 | 66 | 113 | 1 | 24 | 118 | 35 | CATG-200 | 55 |
| CLRG-2006 | 200 | 150 | 1861 | 889 | 265.9 | 127 | 3989 | 1905 | 312 | 462 | 235 | 184 | 133 | 67 | 66 | 113 | 1 | 24 | 118 | 35 | CATG-200 | 91 |
| CLRG-20012 | 200 | 300 | 1861 | 889 | 265.9 | 127 | 7977 | 3809 | 462 | 762 | 235 | 184 | 133 | 67 | 66 | 113 | 1 | 24 | 118 | 35 | CATG-200 | 146 |
| CLRG-2502 | 250 | 50 | 2565 | 1068 | 366.4 | 152.6 | 1832 | 763 | 235 | 285 | 275 | 216 | 165 | 73 | 78 | 145 | 1 | 24 | 144 | 46 | CATG-250 | 89 |
| CLRG-2506 | 250 | 150 | 2565 | 1068 | 366.4 | 152.6 | 5497 | 2289 | 335 | 485 | 275 | 216 | 165 | 73 | 78 | 145 | 1 | 24 | 144 | 46 | CATG-250 | 136 |
| CLRG-25012 | 250 | 300 | 2565 | 1068 | 366.4 | 152.6 | 10993 | 4578 | 485 | 785 | 275 | 216 | 165 | 73 | 78 | 145 | 1 | 24 | 144 | 46 | CATG-250 | 207 |
| CLRG-3002 | 300 | 50 | 3193 | 1060 | 456.2 | 151.4 | 2281 | 757 | 322 | 372 | 310 | 241 | 197 | 101 | 75 | 177 | 1 | 19 | 160 | 62 | CATG-300 | 184 |
| CLRG-3006 | 300 | 150 | 3193 | 1060 | 456.2 | 151.4 | 6843 | 2270 | 422 | 572 | 310 | 241 | 197 | 101 | 75 | 177 | 1 | 19 | 160 | 62 | CATG-300 | 232 |
| CLRG-30012 | 300 | 300 | 3193 | 1060 | 456.2 | 151.4 | 13685 | 4541 | 572 | 872 | 310 | 241 | 197 | 101 | 75 | 177 | 1 | 19 | 160 | 62 | CATG-300 | 303 |
| CLRG-4002 | 400 | 50 | 3919 | 1354 | 559.9 | 193.5 | 2800 | 967 | 374 | 424 | 350 | 267 | 216 | 114 | 105 | 196 | 3 | 27 | 193 | 51 | CATG-400 | 270 |
| CLRG-4006 | 400 | 150 | 3919 | 1354 | 559.9 | 193.5 | 8399 | 2902 | 474 | 624 | 350 | 267 | 216 | 114 | 105 | 196 | 3 | 27 | 193 | 51 | CATG-400 | 330 |
| CLRG-40012 | 400 | 300 | 3919 | 1354 | 559.9 | 193.5 | 16797 | 5804 | 624 | 924 | 350 | 267 | 216 | 114 | 105 | 196 | 3 | 27 | 193 | 51 | CATG-400 | 421 |
| CLRG-5002 | 500 | 50 | 5114 | 1733 | 730.6 | 247.6 | 3653 | 1238 | 419 | 469 | 400 | 305 | 248 | 114 | 135 | 228 | 3 | 27 | 228 | 63 | CATG-500 | 401 |
| CLRG-5006 | 500 | 150 | 5114 | 1733 | 730.6 | 247.6 | 10959 | 3713 | 519 | 669 | 400 | 305 | 248 | 114 | 135 | 228 | 3 | 27 | 228 | 63 | CATG-500 | 480 |
| CLRG-50012 | 500 | 300 | 5114 | 1733 | 730.6 | 247.6 | 21918 | 7427 | 669 | 969 | 400 | 305 | 248 | 114 | 135 | 228 | 3 | 27 | 228 | 63 | CATG-500 | 599 |
| CLRG-6002 | 600 | 50 | 5987 | 2068 | 855.3 | 295.4 | 4276 | 1477 | 429 | 479 | 430 | 330 | 267 | 114 | 135 | 247 | 3 | 27 | 241 | 76 | CATG-600 | 474 |
| CLRG-6006 | 600 | 150 | 5987 | 2068 | 855.3 | 295.4 | 12829 | 4431 | 529 | 679 | 430 | 330 | 267 | 114 | 135 | 247 | 3 | 27 | 241 | 76 | CATG-600 | 565 |
| CLRG-60012 | 600 | 300 | 5987 | 2068 | 855.3 | 295.4 | 25659 | 8862 | 679 | 979 | 430 | 330 | 267 | 114 | 135 | 247 | 3 | 27 | 241 | 76 | CATG-600 | 701 |
| CLRG-8002 | 800 | 50 | 8234 | 2709 | 1176.3 | 387 | 5881 | 1935 | 484 | 534 | 505 | 387 | 317 | 149 | 135 | 297 | 3 | 27 | 287 | 75 | CATG-800 | 741 |
| CLRG-8006 | 800 | 150 | 8234 | 2709 | 1176.3 | 387 | 17644 | 5806 | 584 | 734 | 505 | 387 | 317 | 149 | 135 | 297 | 3 | 27 | 287 | 75 | CATG-800 | 868 |
| CLRG-80012 | 800 | 300 | 8234 | 2709 | 1176.3 | 387 | 35288 | 11611 | 734 | 1034 | 505 | 387 | 317 | 149 | 135 | 297 | 3 | 27 | 287 | 75 | CATG-800 | 1058 |
| CLRG-10002 | 1000 | 50 | 10260 | 3792 | 3792 | 541.7 | 7329 | 2709 | 564 | 614 | 560 | 432 | 343 | 174 | 170 | 323 | 3 | 27 | 311 | 93 | CATG-1000 | 1062 |
| CLRG-10006 | 1000 | 150 | 10260 | 3792 | 3792 | 541.7 | 21986 | 8126 | 664 | 814 | 560 | 432 | 343 | 174 | 170 | 323 | 3 | 27 | 311 | 93 | CATG-1000 | 1213 |
| CLRG-100012 | 1000 | 300 | 10260 | 3792 | 3792 | 541.7 | 43972 | 16252 | 814 | 1114 | 560 | 432 | 343 | 174 | 170 | 323 | 3 | 27 | 311 | 93 | CATG-1000 | 1439 |







