Product Description
Product Lines: Torque Multipliers
- Torque magnification 5:1
- Repeatability accuracy better than ±4%
- Comes with two reaction arms
- Rugged construction, easy maintenance, and long service life
Think Safety
Manufacturer’s rating of load and stroke are maximum safe limits. Good practice encourages using only 80% of these ratings!
Image Gallery
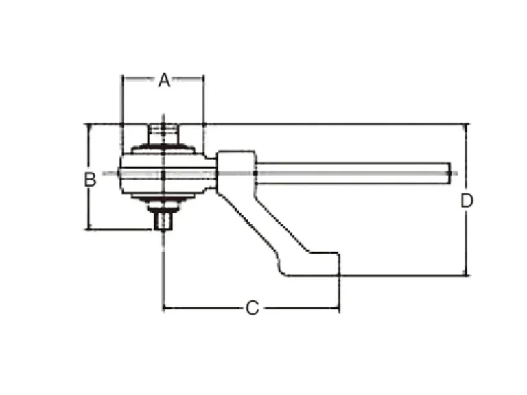
Dimension
Series Comparison
| Model | Torque Range(Nm) | Torque Range(lbf.ft) | Torque Ratio | Input Square Drive | Output Square Drive | Dimension A(mm) | Dimension B(mm) | Dimension C(mm) | Dimension D(mm) | Body Weight(Kg) | Reaction Arm Weight(Kg) |
|---|---|---|---|---|---|---|---|---|---|---|---|
| HT3-1300 | 1300 | 960 | 5:01 | 1/2” | 3/4” | 108 | 126 | 210 | 180 | 3.8 | 1.3 |
| HT3-2700 | 2700 | 2000 | 5:01 | 3/4” | 1” | 108 | 128 | 210 | 186 | 3.8 | 1.3 |








